Harap pilih lokasi pengiriman Anda

Pilih halaman negara/wilayah yang dapat mempengaruhi berbagai faktor seperti harga, pilihan pengiriman dan ketersediaan produk.
Kontak
PT. igus® Indonesia

Taman Tekno BSD

Blok J1 No. 12 & 15

Tangerang Selatan 15314

+62 21 7588 1933
+62 21 7588 1932
ID(ID)

SHTP-FF lift table with quick release

SHTP lift tables with quick-release mechanism offer a combination of precise positioning and rapid adjustment by hand.

lighter solid polymer model

For fast format adjustments

Brake by interlocking included

Freely selectable stroke lengths

Recommended only for horizontal applications

Max. stat. axial load 200 N

Max. dyn. axial load 50 N

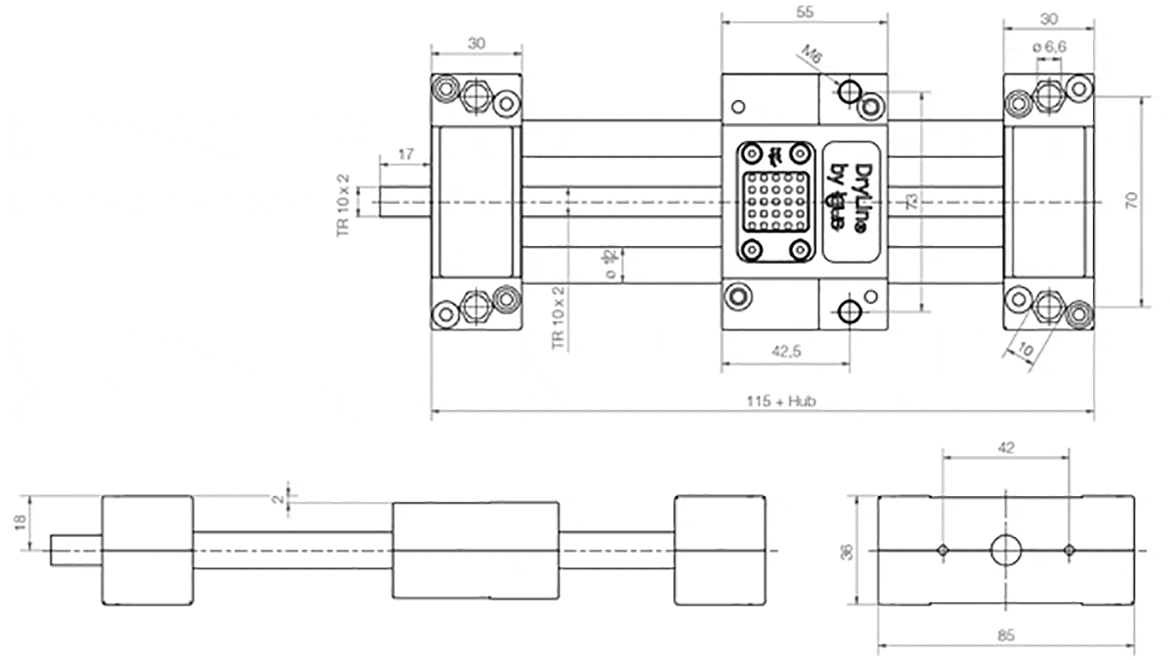
SHTP-FF

Fitting for this articles:


Part. No. A Al H E1 E2 E3 l R f lt tk ts kt
  -0,3 -0,3   ±0,15 ±0,15 ±0,15 [mm] [mm] [mm] ±0,1 ±0,1    
Siap dikirim dalam 10 - 14 hari kerja SHTP-01-12-AWM-FF (1) 85 55 36 70 73 42,5 115 42 2 30 10 6,6 0
Selengkapnya tentang komponen yang dipilih:
3D-CAD 3D-CAD
Permintaan sampel Permintaan sampel
PDF PDF
Permintaan harga Permintaan harga
myCatalog myCatalog

(1) Liners and trapezoidal leadscrew nut made of iglidur® J

Part. No. sg d T l2 d2* ha Max.
stroke length
Weight Weight additional

   
          standard   [mm] [kg] per 100 mm    
Siap dikirim dalam 10 - 14 hari kerja SHTP-01-12-AWM-FF (1) M6 12 17 TR10x2 18 500 0,35 0,11 atas permintaan Tambahkan ke keranjang belanja
Selengkapnya tentang komponen yang dipilih:
3D-CAD 3D-CAD
Permintaan sampel Permintaan sampel
PDF PDF
Permintaan harga Permintaan harga
myCatalog myCatalog

(1) Liners and trapezoidal leadscrew nut made of iglidur® J

More information:


Fitting for this articles:

siap dikirim dalam 24 jam dari gudang terdekat kami drylin® E - gambaran umum mengenai produk

Pengembangan yang konsisten dari toolbox dan konsep sistem tanpa pelumasan pada teknologi penggerak drylin®.

siap dikirim dalam 24 jam dari gudang terdekat kami
Siap dikirim dalam 10 - 14 hari kerja

Istilah-istilah "Apiro", "AutoChain", "CFRIP", "chainflex", "chainge", "chain untuk cranes", "ConProtect", "cradle-chain", "CTD", "drygear", "drylin", "dryspin", "dry-tech", "dryway", "easy chain", "e-chain", "e-chain systems", quot;e-ketten", "e-kettensysteme", "e-loop", "energy chain", "energy chain systems", "enjoyneering", "e-skin", "e-spool", "fixflex", "flizz", "i.Cee", "ibow", "igear", "iglidur", "igubal", "igumid", "igus", "igus improves what moves", quot;igus:bike", "igusGO", "igutex", "iguverse", "iguversum", "kineKIT", "kopla", "manus", "motion plastics", "polimer gerak", "gerak", "plastic for longer life", "print2mold", "Rawbot", "RBTX", "Readycable", "Readychain", "ReBeL" , "ReCyycle", "reguse", "robolink", "Rohbot", "savfe", "speedigus", "superwise", "take the dryway", "tribofilament", "tribotape", "triflex", "twisterchain", "when it moves, igus improves", "xirodur", "xiros", dan "yes" adalah merek dagang yang dilindungi secara hukum dari igus® SE & Co. KG/Cologne di Republik Federal Jerman dan jika ada di beberapa negara asing. Ini adalah daftar merek dagang yang tidak lengkap (misalnya. aplikasi merek dagang yang tertunda atau merek dagang terdaftar) dari igus SE & Co. KG atau perusahaan afiliasi igus di Jerman, Uni Eropa, Amerika Serikat, dan/atau negara atau yurisdiksi lain.

igus® SE & Co. KG menunjukkan bahwa mereka tidak menjual produk apa pun dari perusahaan Allen Bradley, B&R, Baumüller, Beckhoff, Lahr, Control Techniques, Danaher Motion, ELAU, FAGOR, FANUC, Festo, Heidenhain, Jetter, Lenze, LinMot, LTi DRiVES, Mitsubishi, NUM, Parker, Bosh Rexroth, SEW, Siemens, Stöber dan semua produsen drive disebutkan di situs web ini. Produk yang ditawarkan oleh igus® adalah milik igus® SE & Co. KG.