Harap pilih lokasi pengiriman Anda

Pilih halaman negara/wilayah yang dapat mempengaruhi berbagai faktor seperti harga, pilihan pengiriman dan ketersediaan produk.
Kontak
PT. igus® Indonesia

Taman Tekno BSD

Blok J1 No. 12 & 15

Tangerang Selatan 15314

+62 21 7588 1933
+62 21 7588 1932
ID(ID)

Special properties cross slide

High precision, extreme stiffening and precise alignment through CNC production

Available as standard and preload version

100% lubricant-free and completely corrosion-free

Adjustments by trapezoidal thread TR 10x2

Mounting of upper unit with right or left alignment possible

Available accessories (hand wheel, cursor ...)

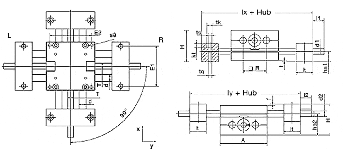
Cross slide

SHT-XY - XY table installation sizes

drylin SHT-XY-08-AWM XY table

SHT-XY-08-AWM

  • Max. stroke length: 150mm
  • Carriage length: 65mm
  • Shaft material: aluminium
  • Shaft diameter: 8mm
drylin SHT-XY-12-AWM XY table

SHT-XY-12-AWM

  • Max. stroke length: 350mm
  • Carriage length: 85mm
  • Shaft material: aluminium
  • Shaft diameter: 12mm

With spring pre-load - PL versions

drylin SHT-XY-12-AWM-PL XY table

SHT-XY-12-AWM-PL

  • Max. stroke length: 350mm
  • Carriage length: 85mm
  • Shaft material: aluminium
  • Shaft diameter: 12mm
  • With pre-load
drylin SHT-XY-20-EWM-PL XY table

SHT-XY-20-EWM-PL

  • Max. stroke length: 500mm
  • Carriage length: 130mm
  • Shaft material: stainless steel
  • Shaft diameter: 20mm
  • With pre-load

SHT/SHT-PL - cross slide


Cross slide lengths and weights [mm]

Order no. A
-0.3
[mm]
H
 
[mm]
E1
±0,15
[mm]
E2
±0,15
[mm]
Base-
length lx
[mm]
Base-
length ly
[mm]
R
 
[mm]
f
 
[mm]
lt
±0,1
[mm]
tk
 
[mm]
ts
 
[mm]
tg
 
kt
 
[mm]
SHT-XY-12 85 56 70 73 145 145 42 2 30 11 6,6 M8 6,4
SHT-XY-08 65 42 52 56 96 96 32 1,5 15,5 10 5,5 M6 7
SHT-XY-12-PL 85 56 70 73 145 145 42 2 30 11 6,6 M8 6,4
SHT-XY-20-EWM-PL 130 86 108 115 202 202 72 2 36 15 9 M10 8,6
Selengkapnya tentang komponen yang dipilih:
3D-CAD 3D-CAD
Permintaan sampel Permintaan sampel
PDF PDF
Permintaan harga Permintaan harga
myCatalog myCatalog

Cross slide dimensions [mm]

Order no. sg


d

[mm]
T

l1

[mm]
d1
Standard
d1
Alternativ
l2

[mm]
d2
Standard
d2
Alternativ
ha1

[mm]
ha2

[mm]
W
ha2-ha1
[mm]
SHT-XY-12 M6 12 17 TR10x2 6h9 17 6h9 18 38 20
SHT-XY-08 M5 8 TR6x2/TR6,35x2,54 15,5 TR6x2/TR6,35x2,54 5 15 5 13 29 16
SHT-XY-12-PL M6 12 17 TR10x2 6h9 17 6h9 18 38 20
SHT-XY-20-EWM-PL M8 20 26 TR18x4 - 26 12h9 23 63 40
Selengkapnya tentang komponen yang dipilih:
3D-CAD 3D-CAD
Permintaan sampel Permintaan sampel
PDF PDF
Permintaan harga Permintaan harga
myCatalog myCatalog
You can order the hand wheel of the y-axis to be mounted left or right.
Left: SHT-XY-12-AWM-L-200-300 for 200 mm stroke lengths in x-direction and 300 mm in y-direction.
Right: SHT-XY-12-AWM-R-200-300 for 200 mm stroke lenghts in x-direction und 300 mm in y-direction

Technical options for the SHT series

The following options can be delivered for the SHT-XY product range.


More information and cross slide accessories



Waktu pengiriman sesuai permintaan

Istilah-istilah "Apiro", "AutoChain", "CFRIP", "chainflex", "chainge", "chain untuk cranes", "ConProtect", "cradle-chain", "CTD", "drygear", "drylin", "dryspin", "dry-tech", "dryway", "easy chain", "e-chain", "e-chain systems", quot;e-ketten", "e-kettensysteme", "e-loop", "energy chain", "energy chain systems", "enjoyneering", "e-skin", "e-spool", "fixflex", "flizz", "i.Cee", "ibow", "igear", "iglidur", "igubal", "igumid", "igus", "igus improves what moves", quot;igus:bike", "igusGO", "igutex", "iguverse", "iguversum", "kineKIT", "kopla", "manus", "motion plastics", "polimer gerak", "gerak", "plastic for longer life", "print2mold", "Rawbot", "RBTX", "Readycable", "Readychain", "ReBeL" , "ReCyycle", "reguse", "robolink", "Rohbot", "savfe", "speedigus", "superwise", "take the dryway", "tribofilament", "tribotape", "triflex", "twisterchain", "when it moves, igus improves", "xirodur", "xiros", dan "yes" adalah merek dagang yang dilindungi secara hukum dari igus® SE & Co. KG/Cologne di Republik Federal Jerman dan jika ada di beberapa negara asing. Ini adalah daftar merek dagang yang tidak lengkap (misalnya. aplikasi merek dagang yang tertunda atau merek dagang terdaftar) dari igus SE & Co. KG atau perusahaan afiliasi igus di Jerman, Uni Eropa, Amerika Serikat, dan/atau negara atau yurisdiksi lain.

igus® SE & Co. KG menunjukkan bahwa mereka tidak menjual produk apa pun dari perusahaan Allen Bradley, B&R, Baumüller, Beckhoff, Lahr, Control Techniques, Danaher Motion, ELAU, FAGOR, FANUC, Festo, Heidenhain, Jetter, Lenze, LinMot, LTi DRiVES, Mitsubishi, NUM, Parker, Bosh Rexroth, SEW, Siemens, Stöber dan semua produsen drive disebutkan di situs web ini. Produk yang ditawarkan oleh igus® adalah milik igus® SE & Co. KG.