Harap pilih lokasi pengiriman Anda

Pilih halaman negara/wilayah yang dapat mempengaruhi berbagai faktor seperti harga, pilihan pengiriman dan ketersediaan produk.
Kontak
PT. igus® Indonesia

Taman Tekno BSD

Blok J1 No. 12 & 15

Tangerang Selatan 15314

+62 21 7588 1933
+62 21 7588 1932
ID(ID)

drylin® N - Low profile linear guide system NK-02-80

Version 02 - standard with threaded hole
Version 12 - coated with threaded hole
Part No. Max. rail lengths a C4 A3 C5=C6 h h1 K1* ly lz Rail weight Price / m  
  [L max.]       Min. max.       [mm2] [mm2] [g/m]    
siap dikirim dalam 24 jam dari gudang terdekat kami NS-01-80 4000 80 150 40 25 99,5 11 1,5 M4 271200 2900 1140 1.243.584 IDR Tambahkan ke keranjang belanja
Siap dikirim dalam 10 - 14 hari kerja NS-01-80-AR 4000 80 150 0 20 99,5 11 1,5 27120 2900 1140 1.492.300 IDR Tambahkan ke keranjang belanja
Waktu pengiriman sesuai permintaan NS-01-80-UNGEBOHRT 4000 80 0 0 11 1,5 27120 2900 1140 1.113.179 IDR Tambahkan ke keranjang belanja
Selengkapnya tentang komponen yang dipilih:
3D-CAD 3D-CAD
Permintaan sampel Permintaan sampel
PDF PDF
Permintaan harga Permintaan harga
myCatalog myCatalog

For unbored rails please indicate "Unbored" in the remark.
* for cylinder screw with low head

Version 02 - standard with threaded hole:

Order no. Designation Weight of carriage    
    [g]    
siap dikirim dalam 24 jam dari gudang terdekat kami NW-02-80 Standard carriage 100 235.095 IDR Tambahkan ke keranjang belanja
Siap dikirim dalam 10 - 14 hari kerja NW-02-80-LLY Standard carriage, floating bearing y-direction 100 235.095 IDR Tambahkan ke keranjang belanja
Siap dikirim dalam 10 - 14 hari kerja NW-02-80-LLZ Standard carriage, floating bearing in z-direction 100 235.095 IDR Tambahkan ke keranjang belanja
Siap dikirim dalam 10 - 14 hari kerja NW-02-80-LLYZ Standard carriage, floating bearing y- and z-direction 100 235.095 IDR Tambahkan ke keranjang belanja
Selengkapnya tentang komponen yang dipilih:
3D-CAD 3D-CAD
Permintaan sampel Permintaan sampel
PDF PDF
Permintaan harga Permintaan harga
myCatalog myCatalog

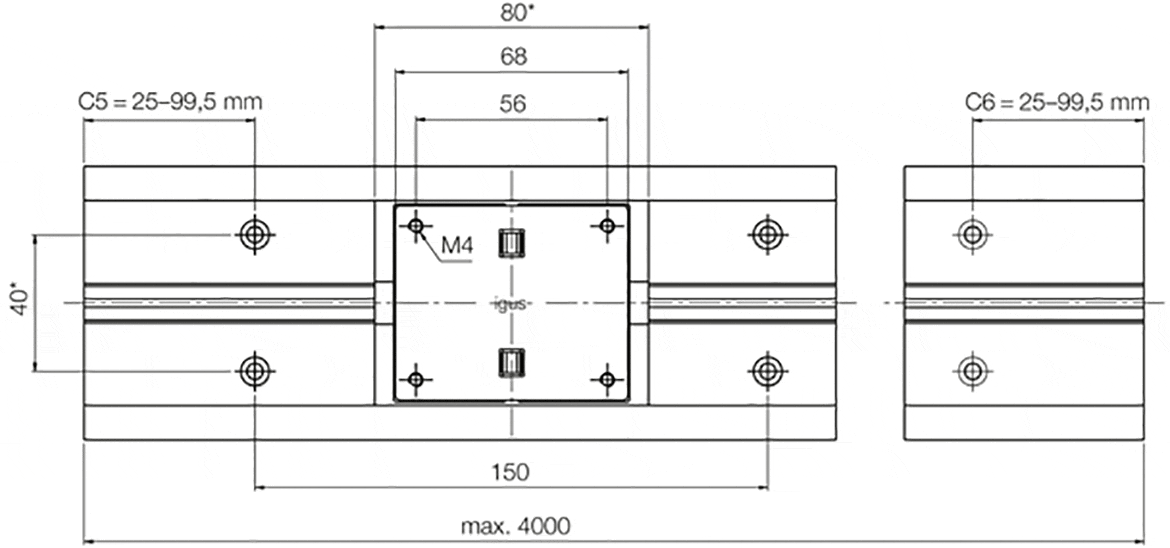
Version 02: Dimensions [mm] - guide carriages

Part. No. H A C C1 C2 A2 H2 K2 K3 K4 Spmin. DpØmin. Weight
  ±0,35                       [g/m]
siap dikirim dalam 24 jam dari gudang terdekat kami NW-02-80 12 57 80 68 56 45 0 M4 0 0 100
Siap dikirim dalam 10 - 14 hari kerja NW-02-80-LLY 12 57 80 68 56 45 0 M4 0 0 100
Siap dikirim dalam 10 - 14 hari kerja NW-02-80-LLZ 12 57 80 68 56 45 0 M4 0 0 100
Siap dikirim dalam 10 - 14 hari kerja NW-02-80-LLYZ 12 57 80 68 56 45 0 M4 0 0 100
Selengkapnya tentang komponen yang dipilih:
3D-CAD 3D-CAD
Permintaan sampel Permintaan sampel
PDF PDF
Permintaan harga Permintaan harga
myCatalog myCatalog

Version 12 - coated with threaded hole:

Order no. Designation Weight of carriage    
   : [g]    
Siap dikirim dalam 10 - 14 hari kerja NW-12-80 Moulded carriage 100 235.095 IDR Tambahkan ke keranjang belanja
Siap dikirim dalam 10 - 14 hari kerja NW-12-80-LLY Moulded carriage, floating bearing y-direction 100 235.095 IDR Tambahkan ke keranjang belanja
Siap dikirim dalam 10 - 14 hari kerja NW-12-80-LLZ Moulded carriage, floating bearing z-direction 100 235.095 IDR Tambahkan ke keranjang belanja
Siap dikirim dalam 10 - 14 hari kerja NW-12-80-LLYZ Moulded carriage, floating bearing y and z-direction 100 235.095 IDR Tambahkan ke keranjang belanja
Selengkapnya tentang komponen yang dipilih:
3D-CAD 3D-CAD
Permintaan sampel Permintaan sampel
PDF PDF
Permintaan harga Permintaan harga
myCatalog myCatalog

Version 12: Dimensions [mm] - guide carriages

Part. No. H A C C1 C2 A2 H2 K2 K3 K4 Spmin. DpØmin. Weight
  ±0,35                       [g/m]
Siap dikirim dalam 10 - 14 hari kerja NW-12-80 12 57 83 68 56 45 0 M4 0 0 100
Siap dikirim dalam 10 - 14 hari kerja NW-12-80-LLY 12 57 83 68 56 45 0 M4 0 0 100
Siap dikirim dalam 10 - 14 hari kerja NW-12-80-LLZ 12 57 83 68 56 45 0 M4 0 0 100
Siap dikirim dalam 10 - 14 hari kerja NW-12-80-LLYZ 12 57 83 68 56 45 0 M4 0 0 100
Selengkapnya tentang komponen yang dipilih:
3D-CAD 3D-CAD
Permintaan sampel Permintaan sampel
PDF PDF
Permintaan harga Permintaan harga
myCatalog myCatalog

Ordering of a complete system

Configuration in few steps:

1. Selection of the number of carriages
2. Selection of the type of carriagel
3. Entry of the rail length in mm
4. Selection of the carriage options
5.

Hint:

Detailed information can be found below in the drawings as well as in the below-mentioned pages. You can obtain precise specifications on the floating bearing options within the design rules.
1

no floating bearing

2

Floating bearing in z-direction

3

Floating bearing in y-direction

4

Floating bearing in yz-direction

drylin® NK – complete set

Step 1

Enter the required number of carriages.

technical drawing
No. of carriages:

* Carriage length in version NW-12-80 = 83 mm
M4 (max. tightening torque 1.2 Nm)

Static load capacity and moments of inertia of an area

A = Depth for screw tightening max. 6,5 mm
B = M4 (max. tightening torque 2,0 Nm)>
DIN 7984/DIN 6912/DIN 84
EN ISO 1707

siap dikirim dalam 24 jam dari gudang terdekat kami
Siap dikirim dalam 10 - 14 hari kerja
Waktu pengiriman sesuai permintaan

Istilah-istilah "Apiro", "AutoChain", "CFRIP", "chainflex", "chainge", "chain untuk cranes", "ConProtect", "cradle-chain", "CTD", "drygear", "drylin", "dryspin", "dry-tech", "dryway", "easy chain", "e-chain", "e-chain systems", quot;e-ketten", "e-kettensysteme", "e-loop", "energy chain", "energy chain systems", "enjoyneering", "e-skin", "e-spool", "fixflex", "flizz", "i.Cee", "ibow", "igear", "iglidur", "igubal", "igumid", "igus", "igus improves what moves", quot;igus:bike", "igusGO", "igutex", "iguverse", "iguversum", "kineKIT", "kopla", "manus", "motion plastics", "polimer gerak", "gerak", "plastic for longer life", "print2mold", "Rawbot", "RBTX", "Readycable", "Readychain", "ReBeL" , "ReCyycle", "reguse", "robolink", "Rohbot", "savfe", "speedigus", "superwise", "take the dryway", "tribofilament", "tribotape", "triflex", "twisterchain", "when it moves, igus improves", "xirodur", "xiros", dan "yes" adalah merek dagang yang dilindungi secara hukum dari igus® SE & Co. KG/Cologne di Republik Federal Jerman dan jika ada di beberapa negara asing. Ini adalah daftar merek dagang yang tidak lengkap (misalnya. aplikasi merek dagang yang tertunda atau merek dagang terdaftar) dari igus SE & Co. KG atau perusahaan afiliasi igus di Jerman, Uni Eropa, Amerika Serikat, dan/atau negara atau yurisdiksi lain.

igus® SE & Co. KG menunjukkan bahwa mereka tidak menjual produk apa pun dari perusahaan Allen Bradley, B&R, Baumüller, Beckhoff, Lahr, Control Techniques, Danaher Motion, ELAU, FAGOR, FANUC, Festo, Heidenhain, Jetter, Lenze, LinMot, LTi DRiVES, Mitsubishi, NUM, Parker, Bosh Rexroth, SEW, Siemens, Stöber dan semua produsen drive disebutkan di situs web ini. Produk yang ditawarkan oleh igus® adalah milik igus® SE & Co. KG.