Harap pilih lokasi pengiriman Anda

Pilih halaman negara/wilayah yang dapat mempengaruhi berbagai faktor seperti harga, pilihan pengiriman dan ketersediaan produk.
Kontak
PT. igus® Indonesia

Taman Tekno BSD

Blok J1 No. 12 & 15

Tangerang Selatan 15314

+62 21 7588 1933
+62 21 7588 1932
ID(ID)

Office chain OCO - Studi desain

Mudah diisi dengan desain "mudah"

Office chain OCO.20 adalah sistem pasokan energi sederhana untuk perkantoran. Tidak memiliki radius yang ditentukan dan dapat dipindahkan dalam dua arah. Dapat diperpendek atau diperpanjang dengan sangat mudah. Braket pemasangan terlihat sangat mirip dengan chain link dan berbeda pada magnet bawaan yang dapat digunakan OCO untuk dengan mudah dipasang pada meja logam. Koneksi sekrup untuk pemasangan meja juga dimungkinkan, untuk itu disediakan dua lubang kecil.
Kirim permintaan sekarang

Tech up

Tech up

  • Desain yang dioptimalkan
  • Fitting yang fleksibel
  • Mudah diperpendek dan diperpanjang
  • Mounting bracket dengan magnet yang dipasang untuk pemasangan mudah
  • Kekuatan memegang yang baik dari e-chain® link hingga 150N
Cost down

Cost down

  • Hemat waktu dan biaya pemasangan dengan pengisian bebas alat karena desain "mudah"
  • Memesan dengan panjang yang dibutuhkan
  • Pembelian hemat biaya
Terbukti

Terbukti

  • OCO.20 uji tarik gaya penahan e-chain®: Prototipe cetak 3D telah menjalani pengujian tarik yang berhasil, menunjukkan gaya penahan 420 N
Keberlanjutan

Keberlanjutan

  • Bebas dari bisphenol A (bebas BPA)
  • 100% bebas halogen, sangat cocok untuk digunakan di gedung-gedung publik
  • Buat rantai energi Anda didaur ulang sebagai bagian dari program daur ulang igus chainge di akhir
    dari siklus pakainya. Terlepas dari produsennya. Anda dapat menerima voucher program daur ulang
  • igus mendukung perputaran ekonomi plastik  dan berinvestasi dalam daur ulang bahan kimia

Office chain OCO.20


Mudah dipasang:

Pembukaan sesuai dengan prinsip mudah tidak di tengah, tetapi tersusun ke samping. Dengan memasang link secara bergantian, slotnya tersusun, memastikan bahwa kabel dapat dengan mudah dimasukkan tetapi pada saat yang sama tidak dapat lepas.
Office chain OCO.20

 
Magnet bawaan untuk pemasangan yang mudah ke meja logam
Office chain OCO.20

 
Koneksi sekrup juga dimungkinkan sebagai opsi

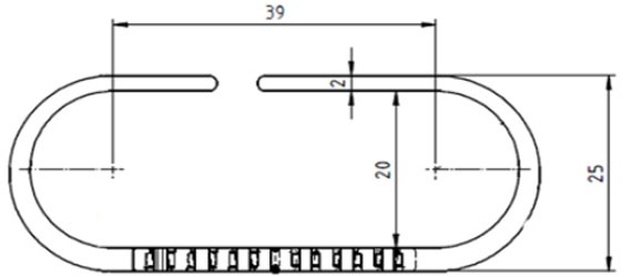
Data teknis

Office chain OCO.20 - Data teknis


No. KomponenTinggi bagian dalamTinggi luarLebar bagian dalamLebar luar
OCO.2020 mm25 mm39 mm64 mm

Tersedia atas permintaan
 
Kirim permintaan sekarang

Produk serupa

Office chain OCR

Office chain OCR

Klip perakitan magnetik untuk koneksi intermediate bebas dan kliping mudah pada e-chain
Office chain ZF14

Office chain ZF14

Kabel dipasang dengan cepat. e-chain cepat terpasang dan bersertifikat UL94-V2
triflex R

Energy chain 3-sumbu triflex R

Desain mudah - untuk pengisian yang sederhana dan cepat. Kira-kira +/- 10° torsi per link e-chain

Informasi lebih lanjut

Berita 2020

Ikhtisar dari berita terbaru e-chain® 2020

Temukan di sini lebih lanjut berita elektronik 2020 untuk berbagai aplikasi.
Katalog produk terbaru 2020

Kabar berita katalog produk 2020

Semua informasi yang Anda butuhkan mengenai produk terbaru dan penambahan berbagai produk dalam katalog gratis.
Energy chains

Energy chains

Ruang instalasi dan lingkungan yang sangat berbeda.  Pilihan produk yang banyak - temukan solusi yang tepat secara bersamaan. Dengan jaminan 36 bulan.

Konsultasi

Saya akan dengan senang hati menjawab pertanyaan Anda secara langsung

Photo
Purwoko Hadiwijaya

Product Manager e-chains® & chainflex® National

Tulis e-mail

Pengiriman dan konsultasi

Secara pribadi:

Senin sampai Jumat dari jam 8.30 - 17.30 WIB

Online:

Senin sampai Jumat dari jam 8.30 - 17.30 WIB


Istilah-istilah "Apiro", "AutoChain", "CFRIP", "chainflex", "chainge", "chain untuk cranes", "ConProtect", "cradle-chain", "CTD", "drygear", "drylin", "dryspin", "dry-tech", "dryway", "easy chain", "e-chain", "e-chain systems", quot;e-ketten", "e-kettensysteme", "e-loop", "energy chain", "energy chain systems", "enjoyneering", "e-skin", "e-spool", "fixflex", "flizz", "i.Cee", "ibow", "igear", "iglidur", "igubal", "igumid", "igus", "igus improves what moves", quot;igus:bike", "igusGO", "igutex", "iguverse", "iguversum", "kineKIT", "kopla", "manus", "motion plastics", "polimer gerak", "gerak", "plastic for longer life", "print2mold", "Rawbot", "RBTX", "Readycable", "Readychain", "ReBeL" , "ReCyycle", "reguse", "robolink", "Rohbot", "savfe", "speedigus", "superwise", "take the dryway", "tribofilament", "tribotape", "triflex", "twisterchain", "when it moves, igus improves", "xirodur", "xiros", dan "yes" adalah merek dagang yang dilindungi secara hukum dari igus® SE & Co. KG/Cologne di Republik Federal Jerman dan jika ada di beberapa negara asing. Ini adalah daftar merek dagang yang tidak lengkap (misalnya. aplikasi merek dagang yang tertunda atau merek dagang terdaftar) dari igus SE & Co. KG atau perusahaan afiliasi igus di Jerman, Uni Eropa, Amerika Serikat, dan/atau negara atau yurisdiksi lain.

igus® SE & Co. KG menunjukkan bahwa mereka tidak menjual produk apa pun dari perusahaan Allen Bradley, B&R, Baumüller, Beckhoff, Lahr, Control Techniques, Danaher Motion, ELAU, FAGOR, FANUC, Festo, Heidenhain, Jetter, Lenze, LinMot, LTi DRiVES, Mitsubishi, NUM, Parker, Bosh Rexroth, SEW, Siemens, Stöber dan semua produsen drive disebutkan di situs web ini. Produk yang ditawarkan oleh igus® adalah milik igus® SE & Co. KG.