Harap pilih lokasi pengiriman Anda

Pilih halaman negara/wilayah yang dapat mempengaruhi berbagai faktor seperti harga, pilihan pengiriman dan ketersediaan produk.
Kontak
PT. igus® Indonesia

Taman Tekno BSD

Blok J1 No. 12 & 15

Tangerang Selatan 15314

+62 21 7588 1933
+62 21 7588 1932
ID(ID)

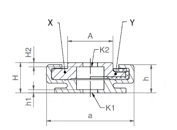
drylin® N - Low profile linear guide system NK-01-27

Order no. Max. rail lengths a C4 A3 C5=C6 h h1 K1* ly lz Weight of rail Price / m  
  [L max.]       Min. max.       [mm2] [mm2] [g/m]    
Siap dikirim dalam 10 - 14 hari kerja NS-01-27 3000 27 60 0 20 20/49,5 9 1,1 M4 6524 588 290 760.886 IDR Tambahkan ke keranjang belanja
Siap dikirim dalam 10 - 14 hari kerja NS-01-27-UNGEBOHRT 3000 27 0 0 0 9 1,1 0 6524 588 290 692.463 IDR Tambahkan ke keranjang belanja
Siap dikirim dalam 10 - 14 hari kerja NS-01-27-AR 3000 27 60 0 20 20/49,5 9 1,1 M4 6524 588 290 913.235 IDR Tambahkan ke keranjang belanja
Selengkapnya tentang komponen yang dipilih:
3D-CAD 3D-CAD
Permintaan sampel Permintaan sampel
PDF PDF
Permintaan harga Permintaan harga
myCatalog myCatalog

For unbored rails please indicate "Unbored" in the remark.
* for cylinder screw with low head

Version 01: Carriage with through bore

Order no. Designation Weight of carriage    
    [g]    
siap dikirim dalam 24 jam dari gudang terdekat kami NW-01-27 Carriage clipped on 10,8 100.800 IDR Tambahkan ke keranjang belanja
Siap dikirim dalam 10 - 14 hari kerja NW-01-27-HT Carriage clipped on, temperatures up to 130°C 10,8 252.321 IDR Tambahkan ke keranjang belanja
Siap dikirim dalam 10 - 14 hari kerja NW-01-27-P Carriage clipped on with pretension 10,8 100.930 IDR Tambahkan ke keranjang belanja
Siap dikirim dalam 10 - 14 hari kerja NW-01-27-LLY Carriage clipped on, floating bearing y-direction 10,8 100.930 IDR Tambahkan ke keranjang belanja
Siap dikirim dalam 10 - 14 hari kerja NW-01-27-LLZ Carriage clipped on, floating bearing z-direction 10,8 100.930 IDR Tambahkan ke keranjang belanja
Siap dikirim dalam 10 - 14 hari kerja NW-01-27-LLYZ Carriage clipped on, floating bearing y and z-direction 10,8 100.930 IDR Tambahkan ke keranjang belanja
Selengkapnya tentang komponen yang dipilih:
3D-CAD 3D-CAD
Permintaan sampel Permintaan sampel
PDF PDF
Permintaan harga Permintaan harga
myCatalog myCatalog

Version 01: Dimensions [mm] - guide carriages

Part. No. H A C C1 C2 A2 H2 K2 K3 K4 Spmin. DpØmin. Weight
  ±0,35                       [g/m]
siap dikirim dalam 24 jam dari gudang terdekat kami NW-01-27 9,5 14 40 30 20 0 1,5 0 0 0 10,8
Siap dikirim dalam 10 - 14 hari kerja NW-01-27-HT 9,5 14 40 30 20 0 1,5 0 10,8
Siap dikirim dalam 10 - 14 hari kerja NW-01-27-P 9,5 14 40 30 20 0 1,5 0 0 10,8
Siap dikirim dalam 10 - 14 hari kerja NW-01-27-LLY 9,5 14 40 30 20 0 1,5 0 0 10,8
Siap dikirim dalam 10 - 14 hari kerja NW-01-27-LLZ 9,5 14 40 30 20 0 1,5 0 0 10,8
Siap dikirim dalam 10 - 14 hari kerja NW-01-27-LLYZ 9,5 14 40 30 20 0 1,5 0 0 10,8
Selengkapnya tentang komponen yang dipilih:
3D-CAD 3D-CAD
Permintaan sampel Permintaan sampel
PDF PDF
Permintaan harga Permintaan harga
myCatalog myCatalog

Version 11: Carriage with through hole, injection-molded

Order no. Designation Weight of carriage    
    [g]    
siap dikirim dalam 24 jam dari gudang terdekat kami NW-11-27-80 Carriage with plain hole 25 201.922 IDR Tambahkan ke keranjang belanja
Waktu pengiriman sesuai permintaan NW-11-27 Moulded carriage 10,8 100.800 IDR Tambahkan ke keranjang belanja
Siap dikirim dalam 10 - 14 hari kerja NW-11-27-LLY Moulded carriage, floating bearing y-direction 10,8 100.930 IDR Tambahkan ke keranjang belanja
Siap dikirim dalam 10 - 14 hari kerja NW-11-27-LLZ Moulded carriage, floating bearing z-direction 10,8 100.930 IDR Tambahkan ke keranjang belanja
Waktu pengiriman sesuai permintaan NW-11-27-LLYZ Moulded carriage, floating bearing y und z-direction 10,8 100.930 IDR Tambahkan ke keranjang belanja
Selengkapnya tentang komponen yang dipilih:
3D-CAD 3D-CAD
Permintaan sampel Permintaan sampel
PDF PDF
Permintaan harga Permintaan harga
myCatalog myCatalog

Version 11: Dimensions [mm] - guide carriages

Part. No. H A C C1 C2 A2 H2 K2 K3 K4 Spmin. DpØmin. Weight
  ±0,35                       [g/m]
siap dikirim dalam 24 jam dari gudang terdekat kami NW-11-27-80 9,5 14 80 76 60 0 1,2 - 5 6,5 25
Waktu pengiriman sesuai permintaan NW-11-27 9,5 14 34 30 20 0 1,5 0 0 10,8
Siap dikirim dalam 10 - 14 hari kerja NW-11-27-LLY 9,5 14 34 30 20 0 1,5 0 0 10,8
Siap dikirim dalam 10 - 14 hari kerja NW-11-27-LLZ 9,5 14 34 30 20 0 1,5 0 0 10,8
Waktu pengiriman sesuai permintaan NW-11-27-LLYZ 9,5 14 34 30 20 0 1,5 0 0 10,8
Selengkapnya tentang komponen yang dipilih:
3D-CAD 3D-CAD
Permintaan sampel Permintaan sampel
PDF PDF
Permintaan harga Permintaan harga
myCatalog myCatalog

Ordering of a complete system

Configuration in few steps:

1. Selection of the number of carriages
2. Selection of the type of carriagel
3. Entry of the rail length in mm
4. Selection of the carriage options
5.

Hint:

Detailed information can be found below in the drawings as well as in the below-mentioned pages. You can obtain precise specifications on the floating bearing options within the design rules.
1

no floating bearing

2

Floating bearing in z-direction

3

Floating bearing in y-direction

4

Floating bearing in yz-direction

drylin® NK – complete set

Step 1

Enter the required number of carriages.

technical drawing
No. of carriages:

X = Version: one-piece
Y = Version: multi-piece

siap dikirim dalam 24 jam dari gudang terdekat kami
Siap dikirim dalam 10 - 14 hari kerja
Waktu pengiriman sesuai permintaan

Istilah-istilah "Apiro", "AutoChain", "CFRIP", "chainflex", "chainge", "chain untuk cranes", "ConProtect", "cradle-chain", "CTD", "drygear", "drylin", "dryspin", "dry-tech", "dryway", "easy chain", "e-chain", "e-chain systems", quot;e-ketten", "e-kettensysteme", "e-loop", "energy chain", "energy chain systems", "enjoyneering", "e-skin", "e-spool", "fixflex", "flizz", "i.Cee", "ibow", "igear", "iglidur", "igubal", "igumid", "igus", "igus improves what moves", quot;igus:bike", "igusGO", "igutex", "iguverse", "iguversum", "kineKIT", "kopla", "manus", "motion plastics", "polimer gerak", "gerak", "plastic for longer life", "print2mold", "Rawbot", "RBTX", "Readycable", "Readychain", "ReBeL" , "ReCyycle", "reguse", "robolink", "Rohbot", "savfe", "speedigus", "superwise", "take the dryway", "tribofilament", "tribotape", "triflex", "twisterchain", "when it moves, igus improves", "xirodur", "xiros", dan "yes" adalah merek dagang yang dilindungi secara hukum dari igus® SE & Co. KG/Cologne di Republik Federal Jerman dan jika ada di beberapa negara asing. Ini adalah daftar merek dagang yang tidak lengkap (misalnya. aplikasi merek dagang yang tertunda atau merek dagang terdaftar) dari igus SE & Co. KG atau perusahaan afiliasi igus di Jerman, Uni Eropa, Amerika Serikat, dan/atau negara atau yurisdiksi lain.

igus® SE & Co. KG menunjukkan bahwa mereka tidak menjual produk apa pun dari perusahaan Allen Bradley, B&R, Baumüller, Beckhoff, Lahr, Control Techniques, Danaher Motion, ELAU, FAGOR, FANUC, Festo, Heidenhain, Jetter, Lenze, LinMot, LTi DRiVES, Mitsubishi, NUM, Parker, Bosh Rexroth, SEW, Siemens, Stöber dan semua produsen drive disebutkan di situs web ini. Produk yang ditawarkan oleh igus® adalah milik igus® SE & Co. KG.