Series 25 Classic

Discontinued Model
25.2.055.0 product image
igus-icon-lupe
25.2.055.0 technical drawing
igus-icon-lupe
1 of 2
25.2.055.0 product image
25.2.055.0 technical drawing
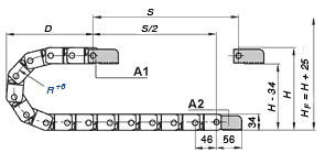
Tinggi bagian dalam [Hi]
Tinggi bagian dalam [Hi]
25 mm
Maks. diameter kabel
Maks. diameter kabel
23 mm
Prinsip pembukaan
Prinsip pembukaan
Dapat dibuka di sepanjang outer radius
Lebar bagian dalam [Bi]
Lebar bagian dalam [Bi]
38 mm
Radius tikungan [R]
Radius tikungan [R]
55 mm

Consulting

I would be happy to answer your questions in person

Purwoko Hadiwijaya
Purwoko Hadiwijaya

igus-icon-phone+62 21 7588 1933

Consultation and delivery

In person:
Monday - Friday: 7 am - 8 pm
Saturday: 8 am - 12 pm
Online:
Chat service
Senin - Kamis: 8 pagi - 6 sore
Jumat: 8 pagi - 5 sore
Sabtu Pukul 8 pagi - 12 malam
WhatsApp service
Monday to Friday: 8am to 4pm
Apa yang bisa kami tingkatkan untuk Anda? Berikan Feedback Anda.

Tentang igus®

Layanan

Kontak

Metode pembayaran kami

  • Pembayaran di muka
  • Beli Menggunakan Akun

    Ikuti kami

    • Facebook
    • Instagram
    • LinkedIn
    • Youtube
    • Twitter

    Tetap up to date dan daftar ke newsletter igus® di sini.

    igus-icon-globeBahasa:Indonesia|Negara:Indonesia

    Istilah-istilah "Apiro", "AutoChain", "CFRIP", "chainflex", "chainge", "chain untuk cranes", "ConProtect", "cradle-chain", "CTD", "drygear", "drylin", "dryspin", "dry-tech", "dryway", "easy chain", "e-chain", "e-chain systems", quot;e-ketten", "e-kettensysteme", "e-loop", "energy chain", "energy chain systems", "enjoyneering", "e-skin", "e-spool", "fixflex", "flizz", "i.Cee", "ibow", "igear", "iglidur", "igubal", "igumid", "igus", "igus improves what moves", quot;igus:bike", "igusGO", "igutex", "iguverse", "iguversum", "kineKIT", "kopla", "manus", "motion plastics", "polimer gerak", "gerak", "plastic for longer life", "print2mold", "Rawbot", "RBTX", "Readycable", "Readychain", "ReBeL" , "ReCyycle", "reguse", "robolink", "Rohbot", "savfe", "speedigus", "superwise", "take the dryway", "tribofilament", "tribotape", "triflex", "twisterchain", "when it moves, igus improves", "xirodur", "xiros", dan "yes" adalah merek dagang yang dilindungi secara hukum dari igus® SE & Co. KG/Cologne di Republik Federal Jerman dan jika ada di beberapa negara asing. Ini adalah daftar merek dagang yang tidak lengkap (misalnya. aplikasi merek dagang yang tertunda atau merek dagang terdaftar) dari igus SE & Co. KG atau perusahaan afiliasi igus di Jerman, Uni Eropa, Amerika Serikat, dan/atau negara atau yurisdiksi lain.

    igus® SE & Co. KG menunjukkan bahwa mereka tidak menjual produk apa pun dari perusahaan Allen Bradley, B&R, Baumüller, Beckhoff, Lahr, Control Techniques, Danaher Motion, ELAU, FAGOR, FANUC, Festo, Heidenhain, Jetter, Lenze, LinMot, LTi DRiVES, Mitsubishi, NUM, Parker, Bosh Rexroth, SEW, Siemens, Stöber dan semua produsen drive disebutkan di situs web ini. Produk yang ditawarkan oleh igus® adalah milik igus® SE & Co. KG.